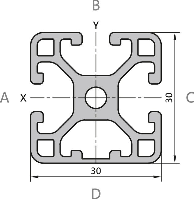
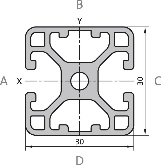
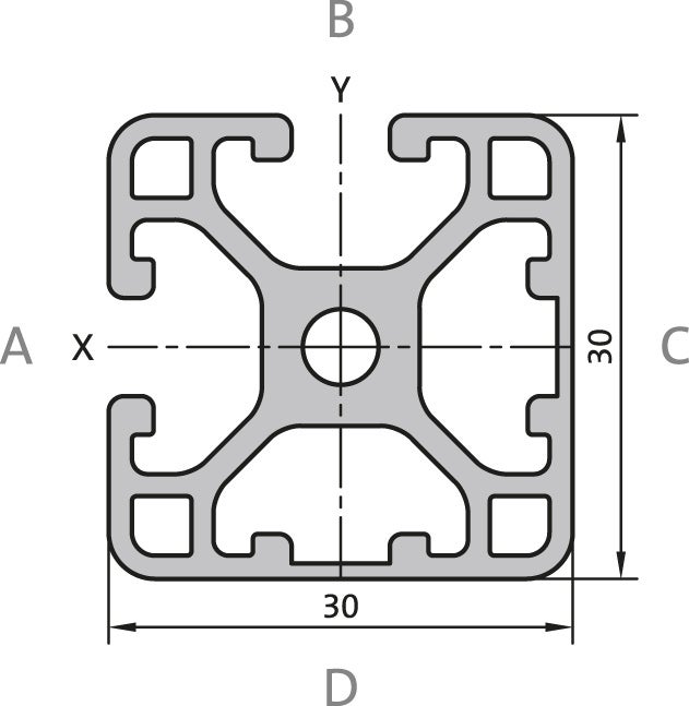
PP3010 – Profile 30x30
System 30 - Slot 6 profile
Aluminium Profiles 30 with 6 mm slots.
Download Solidworks Weldments with our complete range of profiles for easier design and revision of aluminium structures. See link Rollco Weldments under FURTHER INFORMATION.