Linear Unit MTJ 110

The MTJ linear units have toothed belt drive and compact dimensions to provide high performance features such as high speed and good accuracy.

The unit MTJ have a pre-tensioned steel reinforced AT polyurethane timing toothed belt.
In conjunction with a zero-backlash drive pulley high moments with alternating loads with good positioning accuracy, low wear and low noise can be realized.

All parts in the profile are protected from dust and other contaminations. As corrosion-resistant protection strip is available as option.
Read more

Product Information

Modulus of Elasticity: E = 70000 N / mm2
Operating Temperature (°C): 0 ~ +60 For operating temperature out of the presented range, please contact Rollco.
Duty Cycle: 100%
Max. Acceleration (m/s²): 50 (Optional, acceleration up to 70 m/s² possible if used without INOX seal strip)
Max. Travel Speed (m/s): 1.5 (Optional, travel speed up to 6 m/s possible if used without INOX seal strip)
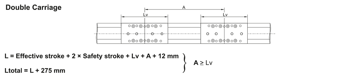
Designation Select all CAD Compare Get quote Lead Time * Carriage Length Lv (mm) Dynamic Moment Mx (Nm) Dynamic Moment My (Nm) Dynamic Moment Mz (Nm) Dynamic Load Capacity C (N) Static Load Capacity C0 (N) Max. Permissible Loads Forces Fpy (N) Max. Permissible Loads Forces Fpz (N) Max. Permissible Loads Moments Mpx (Nm) Max. Permissible Loads Moments Mpy (Nm) Max. Permissible Loads Moments Mpz (Nm) Moved Mass (kg) Max. Repeatability (mm) Max. Length Lmax (mm) Max. Stroke (mm) Min. Stroke (mm)
Request quote 2 240 315 220 220 24800 42500 5000 10130 135 180 100 3.25 ± 0.08 6000 5748 65
Request quote 2 330 630 3840 3840 49600 85000 10000 20260 295 1570 775 4.61 ± 0.08 6000 5658 65

*Green: Normally in stock, contact us for current status. Blue: Contact us for delivery time.

Designation Select all CAD Compare Get quote Carriage version Dynamic Load Capacity C (N) Static Load Capacity C0 (N) Dynamic Moment Mx (Nm) Dynamic Moment My (Nm) Dynamic Moment Mz (Nm) Max. Permissible Loads Forces Fpy (N) Max. Permissible Loads Forces Fpz (N) Max. Permissible Loads Moments Mpx (Nm) Max. Permissible Loads Moments Mpy (Nm) Max. Permissible Loads Moments Mpz (Nm)
Request quote S2 49600 85000 630 24.8 × A (mm) 24.8 × A (mm) 10000 20260 270 10.1 × A (mm) 5.0 × A (mm)
Request quote L2 99200 170000 1260 49.6 × A (mm) 49.6 × A (mm) 20000 40510 590 20.3 × A (mm) 10.0 × A (mm)
Designation Select all CAD Compare Get quote Max. Drive Torque Ma with Keyway (Nm) Max. Drive Torque Ma without Keyway (Nm) No Load Torque with Strip (Nm) No Load Torque without Strip (Nm) Pulley Drive Ratio (mm/rev) Pulley Diameter Belt Type Belt Width Max. Force Transmitted by Belt (N) Specific Spring Constant Cspec (N) Planar Moment of Inertia ly (cm⁴) Planar Moment of Inertia lz (cm⁴)
Request quote 68.5 82.6 1.8 1.5 300 95.49 AT 10 50 1730 2145000 513 620
Request quote 68.5 82.6 2 1.7 300 95.49 AT 10 50 1730 2145000 513 620
Designation Select all CAD Compare Get quote Mass of Linear Unit (kg) Mass Moment of Inertia (10⁻⁵ kg m²) Planar Moment of Inertia ly (cm⁴) Planar Moment of Inertia lz (cm⁴) Moved Mass (kg)
Request quote 15.0 + 0.015 × (Abs. Stroke + (nc - 1) × A) + 3.25 × (nc - 1) 1065.0 + 0.137 × (Abs. Stroke + (nc - 1) × A) + 741.9 × (nc - 1) 513 620 3.25
Request quote 17.7 + 0.015 × (Abs. Stroke + (nc - 1) × A) + 4.61 × (nc - 1) 1381.0 + 0.137 × (Abs. Stroke + (nc - 1) × A) + 1050.9 × (nc - 1) 513 620 4.61