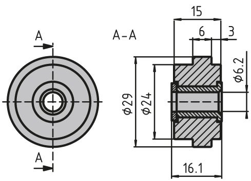
Runner
Guides moving parts along the aluminium profile slot.
Material: Runner: Plastic (PA), glass bead-reinforced
Socket: Galvanised steel
Washer: Galvanised steel
Read more
Material: Runner: Plastic (PA), glass bead-reinforced
Socket: Galvanised steel
Washer: Galvanised steel
Product Information
System: 30 - Slot 6; 20 - Slot 5
Type: System Gliders and Rollers
Download PDF (all data)
Generating PDF
+
Add to PDF catalogue
| Designation | Select all | CAD | Compare | Get quote | Lead Time * | System | D | F (N) | |
|---|---|---|---|---|---|---|---|---|---|
|
|
|
2 | 20 - Slot 5 | 19 | 100 | ||||
|
|
|
2 | 30 - Slot 6 | 29 | 250 |
*Green: Normally in stock, contact us for current status. Blue: Contact us for delivery time.